System Management/Instrumentation
The Orbiter avionics system, using the onboard access provided to spacecraft data gathered by the instrumentation subsystem, is capable of performing many of the spacecraft monitoring and control functions heretofore performed only by ground support teams. In this section, this process is described together with the other functions and support operations which have accumulated under system management. Also included because of similarity is the caution and warning implementation.
Instrumentation
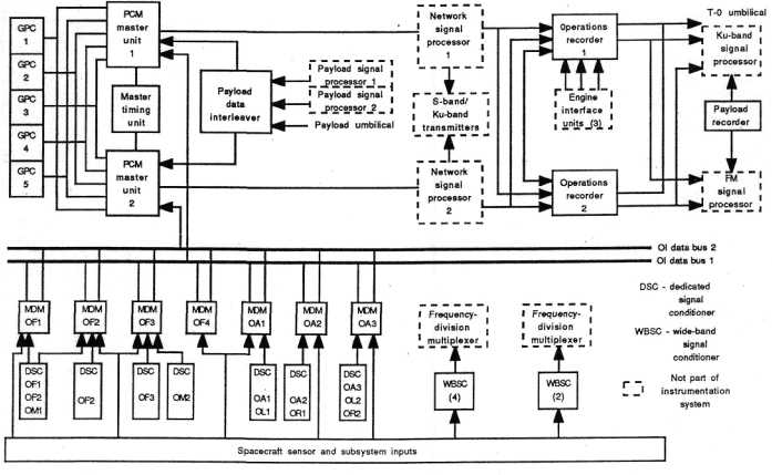
Figure 4-32 is an overview of the instrumentation system showing the interrelation of the major components. Control of the system is vested in the PCM master units, only one of which is active at a given time. These units act as the bus controllers for a network of dedicated MDM's configured for acquisition of spacecraft data either directly or through signal conditioners. The PCMMU's also acquire data from the GPC's on dedicated buses and have provisions for a data bus input from the payload area. Data from these sources are interleaved,formatted, commutated, and configured for transmission to the ground at a rate of either 128 kbps or 64 kbps. Telemetry formats tailored for each mission phase or mode are stored in mass memory and loaded into the PCMMU's by way of the GPC's. The capability is provided in the PCMMU for a GPC performing the system management function to read a selected set of the data gathered by the instrumentation network. These data are used in the onboard system assessment and the caution and warning (C&W) functions described next.

Figure 4-32. - Instrumentation system.
System Management
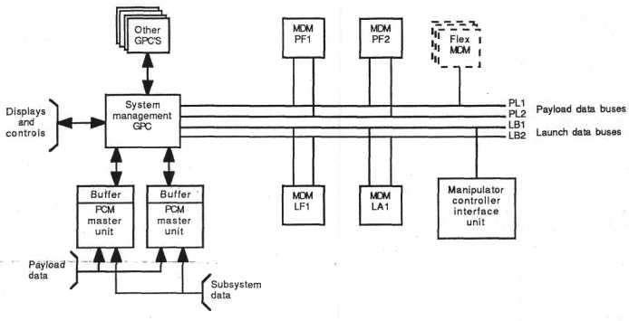
The system management function has grown during the design process to include much more than the vehicle and subsystem assessment services originally envisioned. A subset of the SM functions is provided by the BFS computer during ascent and entry; however, most are performed on orbit under the SM major function by whichever computer is loaded with the SM OPS. Figure 4-33 shows the data buses and interfacing components used. Because most of the services requested by the payload community to date have required interfaces and capabilities similar to those included in the SM function, they have been mechanized under SM rather than under the payload major function (PL) as originally intended. Payload support functions included are mentioned here but described in more detail in the Payload Support Operations section. The major SM functions and capabilities incorporated include the following.
- Data acquisition/output data processing The capability is provided for basic communications over the intercomputer buses, the payload buses, and the PCMMU bus. The payload bus provides access to the payload and flex MDM's, the payload data interleaver (PDI), and, through the payload MDM's, the payload signal processor (PSP). The launch data bus provides access to the manipulator controller interface unit.
- Fault detection and annunciation (FDA) The capability is provided to compare any acquired measurement with stored limits and, if the limit boundaries are exceeded, to annunciate the occurrence.
- Subsystem measurement management (SMM) The capability is provided to manage and control the various data acquisition and storage devices including the PCMMU, the PDI, recorders, etc.
- Payload command and control See Payload Support Operations section.
- Special processes This is a catchall category which has evolved to contain all the various applications that do not require real-time redundancy and therefore can be performed by a single computer. Included at this time are
- Auxiliary power unit fuel quantity calculations
- Fuel cell current and power calculations
- Communications antenna management
- Hydraulic water boiler quantity calculations
- Fuel cell purge sequence
- Hydraulic fluid temperature control sequence
- Payload bay door open/ close sequence
- Oxygen and nitrogen quantity computations
- Remote manipulator system control
- Standby water coolant loop control
- Recorder tape position computations
- Fuel cell heater monitor
- Caution and warning The dedicated caution and warning system is mechanized in an LRU containing programmable logic to set allowable limits on each input signal. The limits are set manually using thumbwheels. When a limit is exceeded, an appropriate light and/or audio signal is activated to gain crew attention. The dedicated C&W function is backed up by software in the SM function.
Figure 4-33. - System management configuration.
Home -
NASA Office of Logic Design
Last Revised: February 03, 2010
Digital Engineering
Institute
Web Grunt: Richard
Katz
